共模扼流圈 图片_高清大图 - 阿里巴巴
region-detail-memberInfo
中山市板芙镇立华电子厂
诚信通· 企业
第
18
年
region-detail-picContent
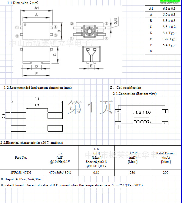
共模扼流圈
查看详情
>>
上一件
下一件
1.70-2.30
(元/条)
已售
0
条
加入进货单
上一幅
下一幅
上一页
下一页
收藏商品
在线联系